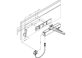
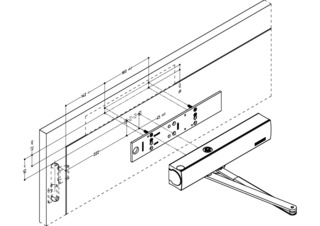
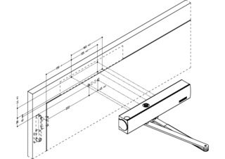
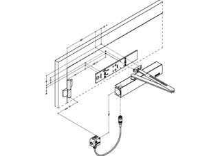
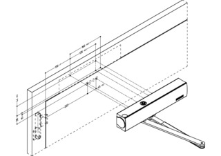
TS 4000 E * इलेक्ट्रिक होल्ड-ओपन यूनिट के साथ 1400 mm तक लीफ की चौड़ाई के लिए सिंगल लीफ दरवाजों हेतु लिंक आर्म के साथ ओवरहेड दरवाजा क्लोजर
- परिवर्तनशील समायोज्य क्लोजिंग बल EN 1-6
- प्रचालन वोल्टेज 24 V DC
- दाएं और बाएं हाथ के दरवाजों के लिए समायोजन के बिना उपयोग किया जा सकता है
- होल्ड-ओपन एरिया 80°-175° के साथ इलेक्ट्रिक होल्ड-ओपन यूनिट
- होल्ड-ओपन प्रणालियों के लिए EN 1155 के अनुसार इलेक्ट्रिक होल्ड-ओपन यूनिट
- यांत्रिक लैचिंग की कार्रवाई, जो दरवाज़े की गति बंद स्थिति में पहुँचने के कुछ ही पहले तेज़ करती है
- क्लोजिंग गति को अलग-अलग समायोजित किया जा सकता है
- सेटिंग के आसान नियंत्रण के लिए क्लोजिंग बल का ऑप्टिकल प्रदर्शन
- सभी कार्यों को सामने की ओर से समायोजित किया जा सकता है (लैचिंग की कार्रवाई के सिवाय)
अनुप्रयोग के क्षेत्र
- आग और धुएं से बचाव वाले दरवाजे
- दाएं और बाएं सिंगल-एक्शन दरवाजे
- 1400 mm तक लीफ की चौड़ाई वाले सिंगल-एक्शन दरवाजे
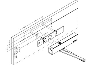
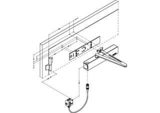
- हिंज साइड दरवाजा लीफ स्थापना और विपरीत हिंज साइड ट्रांसॉम स्थापना
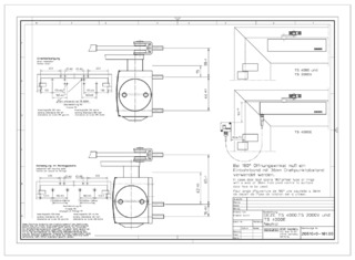
उत्पाद विनिर्देश
| TS 4000 E | |
| EN 1154 के अनुसार परीक्षित क्लोजिंग बल | EN 1 - 6 |
| DIN 18040 के अनुसार बाधा-मुक्त, mm में लीफ चौड़ाई (अधिकतम) तक | 1400 mm |
| लीफ की चौड़ाई (अधिकतम) | 1400 mm |
| स्थापना का प्रकार | दरवाजा लीफ स्थापना हिंज साइड, ट्रांसॉम स्थापना, विपरीत हिन्ज साइड |
| ओपनिंग कोण (अधिकतम) | 180 ° |
| इनपुट वोल्टेज | 24 V DC |
| उपयुक्तता, अग्नि सुरक्षा द्वार | हाँ |
| क्लोजिंग बल समायोज्य | हाँ, परिवर्तनशील समायोजन के साथ |
| क्लोजिंग गति समायोज्य | हाँ |
| लैचिंग की कार्रवाई समायोज्य | हाँ, लिंक आर्म के ज़रिए समायोजित किया जा सकता है |
| क्लोजिंग बल समायोजन स्थिति | सामने से |
| ऑप्टिकल क्लोजिंग बल प्रदर्शन | हाँ |
| होल्ड-ओपन यूनिट | इलेक्ट्रिक |
| होल्ड-ओपन क्षेत्र | 80 ° - 175 ° |
डाउनलोड
LABELLING OBLIGATION: © GEZE GmbH
वैरिएंट और सहायक सामान
* दिखाए गए उत्पाद के संबंध में सूचना
ऊपर उल्लेखित उत्पादों के रूप, प्रकार, विशेषताएँ और कार्य (डिजाइन, विमाएं, उपलब्धता, अनुमोदन, मानक, आदि) देश के अनुसार भिन्न-भिन्न हो सकते हैं। प्रश्न पूछने के लिए कृपया GEZE के संपर्क व्यक्ति से संपर्क करें या हमें लिखें E-Mail .