TS 4000 S * लिंक आर्म के साथ ओवरहेड दरवाजा क्लोजर, एक लीफ वाले दरवाज़े के लिए, लीफ की चौड़ाई 1400 mm तक, क्लोजिंग में विलंब के साथ
- परिवर्तनशील समायोजन के साथ क्लोजिंग बल EN 2-6
- दाएं और बाएं हाथ के दरवाजों के लिए समायोजन के बिना उपयोग किया जा सकता है
- समायोज्य विलंबित क्लोजिंग, दरवाज़े की क्लोजिंग गति को लगभग 80° ओपनिंग कोण तक समायोजित करने के लिए
- हाइड्रोलिक लैचिंग कार्रवाई, जो दरवाज़े की गति क्लोज़्ड पोजीशन में पहुँचने के कुछ ही पहले तेज़ करती है
- क्लोजिंग गति को अलग-अलग समायोजित किया जा सकता है
- एकीकृत पीछे की जांच, जोर से खुलते दरवाजों को ब्रेक करती है
- सेटिंग के आसान नियंत्रण के लिए क्लोजिंग बल का ऑप्टिकल प्रदर्शन
- सभी फंक्शनों को सामने से समायोजित किया जा सकता है
अनुप्रयोग के क्षेत्र
- आग और धुएं से बचाव वाले दरवाजे
- दाएं और बाएं सिंगल-एक्शन दरवाजे
- 1400 mm तक लीफ की चौड़ाई वाले सिंगल-एक्शन दरवाजे
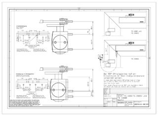
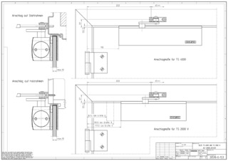
- हिंज साइड दरवाजा लीफ स्थापना और विपरीत हिंज साइड ट्रांसॉम स्थापना
- विपरीत हिंज साइड पर पैरेलल आर्म इंस्टालेशन में EN 5 तक के क्लोजिंग बल में दरवाजा लीफ स्थापना संभव है
उत्पाद विनिर्देश
| TS 4000 S | |
| EN 1154 के अनुसार परीक्षित क्लोजिंग बल | EN 2 - 6 |
| DIN 18040 के अनुसार बाधा-मुक्त, mm में लीफ चौड़ाई (अधिकतम) तक | 1100 mm |
| लीफ की चौड़ाई (अधिकतम) | 1400 mm |
| स्थापना का प्रकार | दरवाजा लीफ स्थापना हिंज साइड, ट्रांसॉम स्थापना, विपरीत हिन्ज साइड, विपरीत हिंज साइड दरवाजा लीफ स्थापना |
| ओपनिंग कोण (अधिकतम) | 180 ° |
| उपयुक्तता, अग्नि सुरक्षा द्वार | हाँ |
| क्लोजिंग बल समायोज्य | हाँ, परिवर्तनशील समायोजन के साथ |
| क्लोजिंग गति समायोज्य | हाँ |
| लैचिंग की कार्रवाई समायोज्य | हाँ, वाल्व के ज़रिए |
| पीछे की जांच एकीकृत | हाँ, द्रवचालित समायोन के साथ |
| क्लोज़िंग विलम्ब एकीकृत | हाँ |
| क्लोजिंग बल समायोजन स्थिति | सामने से |
| ऑप्टिकल क्लोजिंग बल प्रदर्शन | हाँ |
| होल्ड-ओपन यूनिट | विकल्प |
डाउनलोड
वैरिएंट और सहायक सामान
* दिखाए गए उत्पाद के संबंध में सूचना
ऊपर उल्लेखित उत्पादों के रूप, प्रकार, विशेषताएँ और कार्य (डिजाइन, विमाएं, उपलब्धता, अनुमोदन, मानक, आदि) देश के अनुसार भिन्न-भिन्न हो सकते हैं। प्रश्न पूछने के लिए कृपया GEZE के संपर्क व्यक्ति से संपर्क करें या हमें लिखें E-Mail .